- 硫酸生產中的PID整定方法—經驗法
在硫酸生產過程中,要實現自動化,是離不開PID控制的。但是在實際生產過程中,很多閥門沒有投入自動,其主要原因技術人員缺乏對PID的調試經驗,導致參數調試不好。本文分享一種常見的整定方法—經驗法,希望能幫助大家解決這類問題。
1.工業系統中的經驗法調試
經驗法就是按照控制變量的性質給出控制器參數的合適的范圍。是較為常用的調試方法, 將控制系統按照液位、流量、溫度、壓力等參數進行分類,屬于同一種類別的系統,其對象特性往往比較接近,對于控制器的形式和所整定的參數大部分情況下是可以互相進行參考的。下面我將對幾個常用的系統進行分析,旨在為讀者快速了解不同系統的特性。
①流量控制:流量控制是典型的快過程,由于湍流、控制閥振蕩等原因往往會具有噪音。對這種過程,選用比例度大且積分時間小的PI控制器是合理的。
②液位控制:對只需要實現平均液位控制的地方,使用純比例控制并且比例度要大。
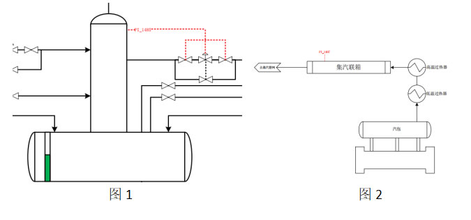
③壓力控制:壓力環路的運行有的很快,有的很慢。如圖1直接控制除氧器的壓力點PI_1485,過程非常迅速。它的性質接近流量控制。可以參考典型的流量控制來選擇控制器形式和參數。圖2是集汽聯箱的蒸汽壓力PI_1407普遍存在的動態滯后和流量滯后都會包含到該壓力控制中,它是由管網長度和容積所影響,其參數調節可以參考溫度控制來整定。

④ 溫度控制:對于轉化器各段進口溫度,存存在熱容滯后和熱傳遞滯后,所以在反饋上顯示會很緩慢。建議加入小比例增益,控制器選擇PID控制或者PI控制是比較合理的
還有其他一些曲線響應經驗可以輔助調試,需要引入純滯后時間的概念。純滯后時間是指控制器輸出(MV)變化到過程變量(PV)開始變化之間經過的時間。純滯后時間為0s的一階被控對象,在純比例作用下,其控制曲線所表現出來:無論比例增益多大,都可以保證閉環系統穩定,沒有超調,更不會振蕩。而對于大純滯后被控對象來說比例增益要很小,設定值階躍響應才能不振蕩,純比例控制器的最優比例增益和被控對象的純滯后時間成反比。當控制回路出現同相位振蕩(最大值和最小值在兩根線上同時出現圖3所示)可以選擇將比例作用減半,可以有效改善閉環性能。

經驗法整定參數可以參照下表,大多數系統用經驗法能滿足整定要求。如果還需要精確調整,一般是給予了初值的。在一些直接接受輻射熱加熱且受控對象熱導高,能夠快速升溫的溫度控制系統中,其實我們所參考的系統會選擇流量而并非溫度,此時流量系統更能描述這種快過程特性。所以理解上述四個系統其實將其理解成模型更為貼切。

這些參數給予現場技術人員一個經驗參考范圍,根據系統特征確定范圍后再對參數試湊。
2.經驗法適配參數外部表現和局限
現場很多調試人員在調試回路參數時,原本將整定曲線調節好了,但是過一段時間整定曲線又會出現明顯的振蕩,這反映出來的原因是沒有選好曲線整定參數,可能這段時間負荷發生變化或者外界干擾引起曲線發生較大的振蕩。理論上好的參數表現大致能分為四點:第一在發生階躍響應(設定值發生跳變)時系統能不能快速響應,且出現的超調量有沒有超過工藝允許標準,能不能快速穩定下來。第二在系統面對外部擾動能夠快速恢復到設定值。第三操作變量(MV)是否平穩,從DCS上觀察操作變量對應的曲線應該是平穩的,不存在大幅度跳變的。第四具有好的魯棒性,在不同工況下依然表現穩健。
經驗法是很多現場技術人員常用的方法,但是想要依靠經驗法“一招鮮吃遍天”是不現實的,例如像回路具有耦合作用經驗法就不實用了,這時候我們按照之前的方法進行整定,會發現一個回路的改變會影響另一個回路的改變,像這樣我們就需要解耦之后將回路拆解開來進行整定,具體情況具體分析,沒有完美的PID只有合適的PID。


